IPRdaily,全球影响力的知识产权产业媒体
426.cn,60万知识产权人的上网首页
#文章仅代表作者观点,不代表IPRdaily立场#
原标题:关于公布延迟审查请求相关表格的通知
IPRdaily导读:10月25日,国家知识产权局网站发布关于公布延迟审查请求相关表格的通知,将于2019年11月1日启用本次修订的表格,涉及修订的旧版表格将同时停止使用。

附件1 110401实质审查请求书

注意事项
一、本表应当使用中文填写,字迹为黑色,文字应当打字或印刷,提交一式一份。
二、本表第①栏所填内容应当与该专利申请请求书中内容一致。其中,申请人应为第一署名申请人。如果该专利申请办理过著录项目变更手续的,应当按照国家知识产权局批准变更后的内容填写。
三、本表第③栏,申请人声明放弃主动修改权利的,应当填写此栏。
四、本表第④栏,申请人请求延迟审查的,应当填写此栏。请注意,延迟审查请求只能选择一项,在提出延迟审查请求后,请求人不得更改延迟期限或撤销延迟审查请求。
五、本表第⑤栏中的方格供填表人选择使用,若有方格后所述情况的,应在方格内作标记。
1.申请文件修改替换的格式要求:
对权利要求修改的应当提交相应的权利要求替换项,涉及权利要求引用关系时,则需要将相应权项一起替换。如果申请人需要删除部分权项,申请人应该提交整理后连续编号的部分权利要求书。
对说明书修改的应当提交相应的说明书替换段,不得增加和删除段号,仅只能对有修改部分段进行整段替换。如果要增加内容,则只能增加在某一段中;如果需要删除一个整段内容,应该保留该段号,并在此段号后注明:“此段删除”字样。段号以国家知识产权局回传的或公布/授权公告的说明书段号为准。
对说明书附图修改的应当以图为单位提交相应的替换附图。
对说明书摘要、摘要附图修改的应当提交相应的说明书摘要、摘要附图替换页。
同时,申请人应当在实质审查请求书中写明修改涉及的权项、段号、图、页。
2.对于申请日前与本发明有关的参考资料应是能说明发明背景技术的专利文献、期刊、杂志和其他文献资料。专利文献应注明国别、分类号、申请日、申请公布日、申请号或专利号;非专利文献资料应注明国别、名称、引用的文章标题、作者、出版者、出版日期、卷、页数。
六、本表第⑥栏,进入中国国家阶段的国际申请可填写此栏。
七、本表第⑦栏,委托专利代理机构的,应当由专利代理机构加盖公章。未委托专利代理机构的,申请人为个人应当由本人签字或者盖章;申请人是单位的,应当加盖单位公章;有多个申请人的由代表人签字或者盖章。
八、申请人应当在专利法实施细则规定的期限内缴纳实质审查费。进入中国国家阶段的国际申请,若由欧洲专利局,日本专利局,瑞典专利局作出国际检索报告或宣布不作出检索,实质审查费减免20%;若由中国作出国际检索报告或宣布不作出检索,并由中国作出专利性国际初步报告,实质审查费全免。
九、专利费用可以通过网上缴费、邮局或银行汇款缴纳,也可以到国家知识产权局或代办处面缴。
网上缴费:电子申请注册用户可登陆http://cponline.cnipa.gov.cn,并按照相关要求使用网上缴费系统缴纳。
邮局汇款:收款人姓名:国家知识产权局专利局收费处,商户客户号:110000860。
银行汇款:开户银行:中信银行北京知春路支行,户名:国家知识产权局专利局,账号:7111710182600166032。汇款时应当准确写明申请号、费用名称(或简称)及分项金额。未写明申请号和费用名称(或简称)的视为未办理缴费手续。了解更多详细信息及要求,请登陆http://www.cnipa.gov.cn查询。
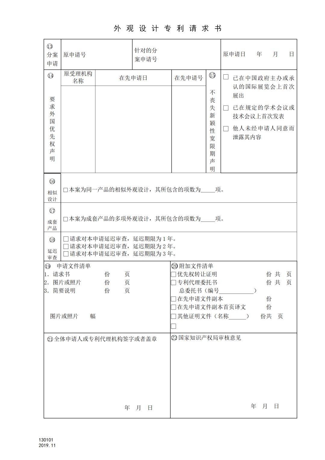
附件2 130101外观设计专利请求书

注意事项
一、申请外观设计专利,应当提交外观设计专利请求书、外观设计图片或照片、以及外观设计简要说明。(表格可在国家知识产权局网站www.cnipa.gov.cn下载)
二、本表应当使用国家公布的中文简化汉字填写,表中文字应当打字或者印刷,字迹为黑色。外国人姓名、名称、地名无统一译文时,应当同时在请求书英文信息表中注明。
三、本表中方格供填表人选择使用,若有方格后所述内容的,应当在方格内作标记。
四、本表中所有详细地址栏,本国的地址应当包括省(自治区)、市(自治州)、区、街道门牌号码,或者省(自治区)、县(自治县)、镇(乡)、街道门牌号码,或者直辖市、区、街道门牌号码。有邮政信箱的,可以按规定使用邮政信箱。外国的地址应当注明国别、市(县、州),并附具外文详细地址。其中申请人、专利代理机构、联系人的详细地址应当符合邮件能够迅速、准确投递的要求。
五、填表说明
1.本表第1、2、3、4、5、21栏由国家知识产权局填写。
2.本表第6栏使用外观设计的产品名称应当与外观设计图片或者照片中表示的外观设计相符合,准确、简明地表明要求保护的产品的外观设计。产品名称一般应当符合国际外观设计分类表中小类列举的名称。产品名称一般不得超过20个字。
3.本表第7栏设计人应当是个人。设计人有两个以上的应当自左向右顺序填写。设计人姓名之间应当用分号隔开。设计人可以请求国家知识产权局不公布其姓名。若请求不公布姓名,应当在此栏所填写的相应设计人后面注明“(不公布姓名)”。
4.本表第8栏应当填写第一设计人国籍,第一设计人为中国内地居民的,应当同时填写居民身份证件号码。
5.本表第9栏申请人是个人的,应当填写本人真实姓名,不得使用笔名或者其他非正式的姓名;申请人是单位的,应当填写单位正式全称,并与所使用的公章上的单位名称一致。申请人是中国单位或者个人的,应当填写其名称或者姓名、地址、邮政编码、统一社会信用代码/组织机构代码或者居民身份证件号码;申请人是外国人、外国企业或者外国其他组织的,应当填写其姓名或者名称、国籍或者注册的国家或者地区、经常居所地或者营业所所在地。申请人请求费用减缴且已完成费减资格备案的,应当在方格内作标记,并在本栏填写证件号码处填写费减备案时使用的证件号码。
6.本表第10栏,申请人是单位且未委托专利代理机构的,应当填写联系人,并同时填写联系人的通信地址、邮政编码、电子邮箱和电话号码,联系人只能填写一人,且应当是本单位的工作人员。申请人为个人且需由他人代收国家知识产权局所发信函的,也可以填写联系人。
7.本表第11栏,申请人指定非第一署名申请人为代表人时,应当在此栏指明被确定的代表人。
8.本表第12栏,申请人委托专利代理机构的,应当填写此栏。
9.本表第13栏,申请是分案申请的,应当填写此栏。申请是再次分案申请的,还应当填写所针对的分案申请的申请号。
10.本表第14栏, 申请人要求外国优先权的,应当填写此栏。
11.本表第15栏, 申请人要求不丧失新颖性宽限期的,应当填写此栏,自申请日起两个月内提交证明文件。
12.本表第16栏, 同一产品两项以上的相似外观设计,作为一件申请提出时,申请人应当填写相关信息。一件外观设计专利申请中的相似外观设计不得超过10项。
13.本表第17栏,用于同一类别并且成套出售或者使用的产品的两项以上外观设计,作为一件申请提出时,申请人应当填写相关信息。成套产品外观设计专利申请中不应包含某一件或者几件产品的相似外观设计。
14.本表第18栏,申请人请求延迟审查的,应当填写此栏。请注意,延迟审查请求只能选择一项,在提出延迟审查请求后,请求人不得更改延迟期限或撤销延迟审查请求。
15.本表第19、20栏,申请人应当按实际提交的文件名称、份数、页数及图片或照片幅数正确填写。
16.本表第21栏,委托专利代理机构的,应当由专利代理机构加盖公章。未委托专利代理机构的,申请人为个人的应当由本人签字或盖章,申请人为单位的应当加盖单位公章;有多个申请人的由全体申请人签字或者盖章。
17.本表第7、9、14栏,设计人、申请人、要求外国优先权声明的内容填写不下时,应当使用规定格式的附页续写。
缴费须知
1. 申请人应当在缴纳申请费通知书(或费用减缴审批通知书)中规定的缴费日前缴纳申请费。申请人要求优先权的,应当在缴纳申请费的同时缴纳优先权要求费。
2. 申请人请求减缴费用的,应当在提交申请文件前完成费减资格备案并在请求书中申请人一栏提出请求。
3.专利费用可以通过网上缴费、邮局或银行汇款缴纳,也可以到国家知识产权局或代办处面缴。
4.网上缴费:电子申请注册用户可登陆http://cponline.cnipa.gov.cn,并按照相关要求使用网上缴费系统缴纳。
5.邮局汇款:收款人姓名:国家知识产权局专利局收费处,商户客户号:110000860。
6.银行汇款:开户银行:中信银行北京知春路支行,户名:国家知识产权局专利局,账号:7111710182600166032。
7.汇款时应当准确写明申请号、费用名称(或简称)及分项金额。未写明申请号和费用名称(或简称)的视为未办理缴费手续。了解更多详细信息及要求,请登陆http://www.cnipa.gov.cn查询。
8.对于只能采用电子联行汇付的,应当向银行付电报费,正确填写并要求银行至少将申请号及费用名称两项列入汇款单附言栏中同时发至国家知识产权局专利局。
9.应当正确填写申请号13位阿拉伯数字(注:最后一位校验位可能是字母),小数点不需填写。
10.费用名称可以使用下列简称:
印花税——印
外观设计专利申请费——申
外观设计专利复审费——复
著录事项变更费——变
优先权要求费——优
恢复权利请求费——恢
外观设计专利权无效宣告请求费——无(无效)
外观设计专利登记费——登
外观设计公告印刷费——公告
延长费——延
外观设计专利年费滞纳金——滞(年滞)
外观专利第N年年费——年N (注:N为实际年度,例如:外观专利第8年年费-年8)
外观设计专利权评价报告请求费——评价
11.费用通过邮局或者银行汇付遗漏必要缴费信息的,可以在汇款当天最迟不超过汇款次日补充缴费信息,补充缴费信息的方式如下:登陆专利缴费信息网上补充及管理系统(http://fee.cnipa.gov.cn)进行缴费信息的补充;通过传真(010-62084312/8065)或发送电子邮件(shoufeichu@cnipa.gov.cn)的方式补充缴费信息。补充完整缴费信息的,以补充完整缴费信息日为缴费日。因逾期补充缴费信息或补充信息不符合规定,造成汇款被退回或入暂存的,视为未缴纳费用。
通过传真和电子邮件补充缴费信息的,应当提供邮局或者银行的汇款单复印件、所缴费用的申请号(或专利号)及各项费用的名称和金额。同时,应当提供接收收据的地址、邮政编码、接收人姓名或名称等信息。补充缴费信息如不能提供邮局或者银行的汇款单复印件的,还应当提供汇款日期、汇款人姓名或名称、汇款金额、汇款单据号码等信息。
12.未按上述规定办理缴费手续的,所产生的法律后果由汇款人承担。
点击下方阅读原文下载附件。
来源:国家知识产权局网站
编辑:IPRdaily王颖 校对:IPRdaily纵横君
推荐阅读(点击图文,阅读全文)

官宣!2019全球知识产权生态大会(GIPC)即将来袭!

生而不凡!2019年中国“40位40岁以下企业知识产权精英”榜单揭晓
点击“阅读原文”了解更多知识产权讯息,“投稿”请投邮箱“iprdaily@163.com”。

「关于IPRdaily」
IPRdaily成立于2014年,是全球影响力的知识产权媒体+产业服务平台,致力于连接全球知识产权人,用户汇聚了中国、美国、德国、俄罗斯、以色列、澳大利亚、新加坡、日本、韩国等15个国家和地区的高科技公司、成长型科技企业IP高管、研发人员、法务、政府机构、律所、事务所、科研院校等全球近100多万产业用户(国内70万+海外30万);同时拥有近百万条高质量的技术资源+专利资源,通过媒体构建全球知识产权资产信息第一入口。2016年获启赋资本领投和天使汇跟投的Pre-A轮融资。
(英文官网:iprdaily.com 中文官网:iprdaily.cn)